Рязань
КАТАЛОГ

Verona 200 Gold 1.1 печь-камин чугунный до 200м3

61-6873
Доставка:
Стоимость доставки в город
ОсобенностиЦельнолитая конструкция, Чугунная дверка, Варочная плита

Интерьерная чугунная отопительная печь Verona предназначена для отопления помещений общим объёмом до 200 м³. В качестве топлива используются дрова длиной до 54 см или древесные топливные брикеты.

Эффективность работы
Особенность печи Verona - уникальная конструкция топки, а именно сквозное оребрение (рёбра проходят насквозь топки изнутри наружу), что значительно увеличивает теплопередачу. Чугунный пламяотбойник уникальной формы обеспечивает оборот топочных газов, а вторичная подача воздуха их дожигание, что позволяет добиться высокого КПД печи ~70%.

Это все позволяет печи Verona работать на одной закладки топлива (уголь) до 6 часов непрерывно!

Надёжность печи
Сама топка печи цельнолитая, благодаря этому конструкция максимально жёсткая и надежная. Отливается печь из чугуна марки ЧХ-1. Этот вид чугуна давно зарекомендовал себя как надежный и высококачественный материал благодаря добавлению хрома в состав. Он обладает высокой прочностью и стойкостью к износу, что особенно важно для печей, работающих в условиях повышенных температур.
Отливается в собственном литейном цеху компании «Теплодар», толщина топки от 10 мм! Снаружи печь окрашена термостойкой кремнийорганической краской.

Удобство использования
Дымоход в печи монтируется в двух возможных положениях- вверх или назад, а съёмная заглушка, закрывающая свободное отверстие дымосборника служит для удобства чистки .
Загружать топливо в печь Verona не составит никаких проблем, это обусловлено большими габаритами топочной двери. Для защиты просыпания горящего топлива на пол предусмотрена специальная чугунная площадка под дверью.
Так же на печи Verona возможно приготовить пищу, для этого предусмотрена полноценная варочная плита со съемными чугунными кольцами.

Внешний вид
Несмотря на мощность, печь компактна и не займёт много места в интерьере. Наслаждайтесь отличным обзором пламени, благодаря большой стекло-керамической панели немецкой компании Sсhott и системе «чистое стекло»


Характеристики модели:
Дверца: со стеклом, чугунная
Назначение: для гаража, для дачи, для дома
Дополнительные функции: стеклянная дверца, варочная плита
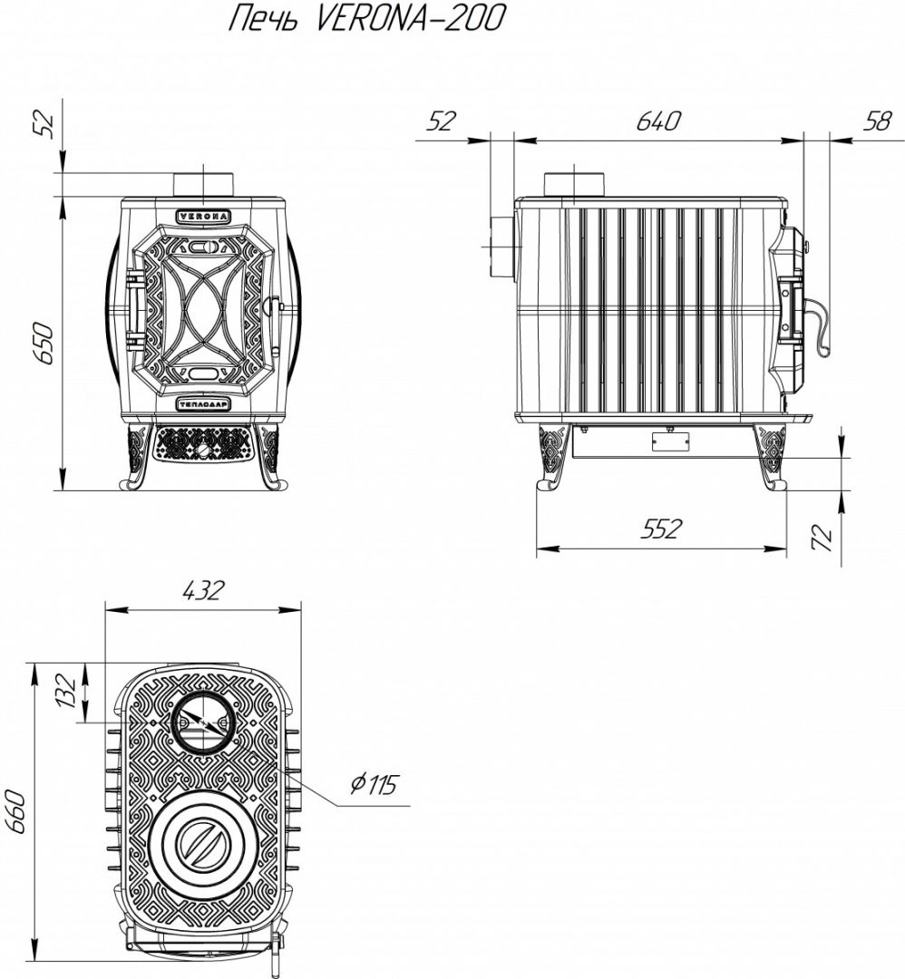
Диаметр дымохода: 115 мм
Длина дров: 54 см
Объем помещения: 120-200 м³
Высота:  700 мм
Ширина: 430 мм
Глубина: 660 мм
Объём топки 48 литров
Гарантия: 3 года

Модельный ряд
Verona
Производитель
Теплодар
Диаметр дымохода
115 мм
Материал
Чугун
Страна
Россия
Мощность
21 кВт
Объем помещения
200 м3
Габаритные размеры
700x430x660 мм
Дверка
Со стеклом
Подключение дымохода
Верхнее
Вес
140 кг
Особенности
  • Цельнолитая конструкция
  • Чугунная дверка
  • Варочная плита
Печь в облицовке
Без облицовки
Вариант установки
  • Пристенный
Варочная поверхность
С варочной поверхностью
Теплообменник
Нет
Топливо
  • Дрова
  • Уголь
Механизм открывания дверцы
Боковое
Найти похожие

Выберите интересующие характеристики и нажмите кнопку “Найти похожие”

Отзывы не найдены

Инструкция (VERONA-200.pdf, 8,259 Kb) [Скачать]

Быстро и качественно доставляем

Наша компания производит доставку по всей России и ближнему зарубежью

Гарантия качества и сервисное обслуживание

Мы предлагаем только те товары, в качестве которых мы уверены

Возврат товара в течение 30 дней

У вас есть 30 дней, для того чтобы протестировать вашу покупку